

|
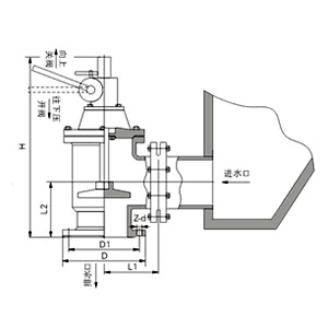
公称通径
DN(mm)
|
主要尺寸(mm)
|
|||||
|
H
|
L1
|
L2
|
D
|
D1
|
Z-d
|
|
|
80
|
450
|
135
|
125
|
195
|
160
|
4-18
|
|
100
|
490
|
165
|
125
|
215
|
180
|
8-18
|
|
150
|
670
|
205
|
145
|
280
|
240
|
8-23
|
|
200
|
760
|
220
|
185
|
335
|
295
|
8-23
|
|
250
|
825
|
260
|
205
|
390
|
350
|
12-23
|