|
设计与制造
|
GB/T12235
|
|
|
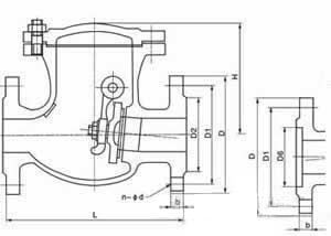
连接端尺寸
|
结构长度
|
GB/T12221
|
|
法兰尺寸
|
JB/T79
|
|
|
检验与试验
|
JB/T9092
|
|
|
材料
|
碳钢
|
GB/T12229
|
|
不锈钢
|
GB/T12230
|
|
|
合金钢
|
Q/ZB66
|
|
|
标志
|
GB/T12220
|
|
|
供货
|
JB/T7928
|
|
|
公称压力PN
|
2.5
|
4.0
|
MPa
|
|
壳体试验压力PT
|
3.75
|
6.0
|
|
|
高压密封试验压力
|
2.75
|
4.4
|
|
|
适用介质
|
液化气、天然气等
|
||
|
适用温度
|
-20∽+200℃
|
||
|
法兰连接标准
|
JB/T 79-94
|
||


|
公称通径DN
|
L
|
D
|
D1
|
D2
|
b
|
Z-Φd
|
H
|
WT(Kg)
|
|
H44N-16C
|
||||||||
|
50
|
230
|
160
|
125
|
100
|
16
|
4-Φ18
|
135
|
21
|
|
65
|
290
|
180
|
145
|
120
|
18
|
4-Φ18
|
142
|
28
|
|
80
|
310
|
195
|
160
|
135
|
||||