|
公称通径
|
DN(mm)
|
50~800
|
||
|
公称压力
|
PN(MPa)
|
0.6
|
1.0
|
1.6
|
|
试验压力
|
强度试验
|
0.9
|
1.5
|
2.4
|
|
密封试验
|
0.66
|
1.1
|
1.76
|
|
|
气密封试验
|
0.6
|
0.6
|
0.6
|
|
|
适用介质
|
空气、水、污水、蒸气、煤气、油品等。
|
|||
|
驱动形式
|
手动、蜗杆蜗轮传动、气传动、电传动。
|
|||
|
零件名称
|
材料
|
|||
|
阀体
|
球墨铸铁、铸钢、合金钢、不锈钢
|
|||
|
蝶板
|
铸钢、不锈钢及特殊材料
|
|||
|
密封圈
|
各种橡胶、聚四氟
|
|||
|
阀杆
|
2Cr13、不锈钢
|
|||
|
填料
|
O型圈、柔性石墨O
|
|||
|
材料品种
|
氯丁橡胶
|
丁晴橡胶
|
乙丙橡胶
|
聚四氟乙烯
|
硅橡胶
|
氟橡胶
|
天然橡胶
|
尼龙
|
|
英语简称
|
CR
|
NBR
|
EPDM
|
PTFE
|
SI
|
VITON
|
NR
|
PA
|
|
型号代号
|
X或J
|
XA或JA
|
XB或JB
|
F或XC、JC
|
XD或JD
|
XE或JE
|
X1
|
N
|
|
耐最高温度
|
82℃
|
93℃
|
150℃
|
232℃
|
250℃
|
204℃
|
85℃
|
93℃
|
|
耐最低温度
|
-40℃
|
-40℃
|
-40℃
|
-268℃
|
-70℃
|
-23℃
|
-20℃
|
-73℃
|
|
适用工作温度
|
0~+80℃
|
-20~+82℃
|
-40~+125℃
|
-30~+150℃
|
-70~+150℃
|
-23~+150℃
|
-20~+85℃
|
-30~+93℃
|


|
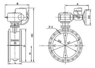
公称
通径
mm
|
长度
|
外形尺寸
(参考值) |
连接尺寸 (标准值)
|
重量
kg |
||||||||||||||
|
0.6MPa
|
1.0MPa
|
1.6MPa
|
||||||||||||||||
|
L
|
H
|
H0
|
A
|
B
|
D
|
D1
|
D2
|
n-d
|
D
|
D1
|
D2
|
n-d
|
D
|
D1
|
D2
|
n-d
|
||
|
50
|
108
|
63
|
306
|
180
|
200
|
140
|
110
|
88
|
4-14
|
165
|
125
|
99
|
4-18
|
165
|
125
|
99
|
4-18
|
13
|
|
65
|
112
|
70
|
321
|
180
|
200
|
160
|
130
|
108
|
4-14
|
185
|
145
|
118
|
4-18
|
185
|
145
|
118
|
4-18
|
14
|
|
80
|
114
|
83
|
346
|
180
|
200
|
190
|
150
|
124
|
4-18
|
200
|
160
|
132
|
8-18
|
200
|
160
|
132
|
8-18
|
15.5
|
|
100
|
127
|
105
|
387
|
180
|
200
|
210
|
170
|
144
|
4-18
|
220
|
180
|
156
|
8-18
|
220
|
180
|
156
|
8-18
|
19.5
|
|
125
|
140
|
115
|
411
|
180
|
200
|
240
|
200
|
174
|
8-18
|
250
|
210
|
184
|
8-18
|
250
|
210
|
184
|
8-18
|
25.5
|
|
150
|
140
|
137
|
447
|
270
|
280
|
265
|
225
|
199
|
8-18
|
285
|
240
|
211
|
8-22
|
285
|
240
|
211
|
8-22
|
28.5
|
|
200
|
152
|
164
|
572
|
270
|
280
|
320
|
280
|
254
|
8-18
|
340
|
295
|
266
|
8-22
|
340
|
295
|
266
|
12-22
|
48
|
|
250
|
250
|
206
|
646
|
270
|
280
|
375
|
335
|
309
|
12-18
|
395
|
350
|
319
|
12-22
|
405
|
355
|
319
|
12-26
|
69
|
|
300
|
270
|
230
|
738
|
380
|
420
|
440
|
395
|
363
|
12-22
|
445
|
400
|
370
|
12-22
|
460
|
410
|
370
|
12-26
|
91
|
|
350
|
290
|
248
|
761
|
380
|
420
|
490
|
445
|
413
|
12-22
|
505
|
460
|
429
|
16-22
|
520
|
470
|
429
|
16-26
|
110
|
|
400
|
310
|
289
|
877
|
450
|
470
|
540
|
495
|
463
|
16-22
|
565
|
515
|
480
|
16-26
|
580
|
525
|
480
|
16-30
|
140
|
|
450
|
330
|
320
|
938
|
480
|
490
|
595
|
550
|
518
|
16-22
|
615
|
565
|
530
|
20-26
|
640
|
585
|
548
|
20-30
|
180
|
|
500
|
350
|
343
|
993
|
480
|
490
|
645
|
600
|
568
|
20-22
|
670
|
620
|
582
|
20-26
|
715
|
650
|
609
|
20-33
|
215
|
|
600
|
390
|
413
|
1131
|
480
|
490
|
755
|
705
|
667
|
20-26
|
780
|
725
|
682
|
20-30
|
840
|
770
|
720
|
20-36
|
290
|
|
700
|
430
|
478
|
1476
|
640
|
660
|
860
|
810
|
772
|
24-26
|
895
|
840
|
794
|
24-30
|
910
|
840
|
794
|
24-36
|
560
|
|
800
|
470
|
525
|
1533
|
640
|
660
|
975
|
920
|
878
|
24-30
|
1015
|
950
|
901
|
24-33
|
1025
|
950
|
901
|
24-39
|
910
|
|
900
|
510
|
585
|
1655
|
750
|
860
|
1075
|
1020
|
978
|
24-30
|
1115
|
1050
|
1001
|
28-33
|
1125
|
1050
|
1001
|
28-39
|
1500
|
|
1000
|
550
|
640
|
1765
|
850
|
900
|
1175
|
1120
|
1078
|
28-30
|
1230
|
1160
|
1112
|
28-36
|
1255
|
1170
|
1112
|
28-42
|
1750
|
|
1200
|
630
|
755
|
1995
|
850
|
900
|
1405
|
1340
|
1295
|
32-33
|
1455
|
1380
|
1328
|
32-39
|
1485
|
1390
|
1328
|
32-48
|
2180
|
|
1400
|
710
|
910
|
2310
|
1000
|
925
|
1630
|
1560
|
1510
|
36-36
|
1675
|
1590
|
1530
|
36-42
|
1685
|
1590
|
1530
|
36-48
|
2400
|
|
1600
|
790
|
1030
|
2595
|
1000
|
925
|
1830
|
1760
|
1710
|
40-36
|
1915
|
1820
|
1750
|
40-48
|
1930
|
1820
|
1750
|
40-56
|
2870
|
|
1800
|
870
|
1140
|
2810
|
1100
|
980
|
2045
|
1970
|
1918
|
44-39
|
2115
|
2020
|
1950
|
44-48
|
2130
|
2020
|
1950
|
44-56
|
3380
|
|
2000
|
950
|
1250
|
3100
|
1100
|
980
|
2265
|
2180
|
2125
|
48-42
|
2325
|
2230
|
2150
|
48-48
|
2345
|
2230
|
2150
|
48-62
|
4010
|