|
零件名称
|
阀体、阀盖
|
密封圈
|
填料
|
填料压盖
|
阀杆
|
垫片
|
|
J41B-25C
|
铸钢
|
巴氏合金
|
聚四氟
乙 烯 |
碳钢
|
聚四氟
乙 烯 |
|
|
J41B-25Z
|
灰铸铁
|
|||||
|
J41B-25P
|
不锈钢
|
不锈钢
|
||||
|
J41F-25Z
|
灰铸铁
|
聚四氟乙烯
|
碳钢
|
|||
|
公称压力PN(MPA)
|
试验压力PS(MPa)
|
适用介质
|
适用温度(℃)
|
|
|
2.5
|
3.8
|
氨气、
氨液等 NH3 |
巴氏合金
-40℃ +150℃ |
四氟
-40℃ +200℃ |
|
4.0
|
6.4
|
|||


|
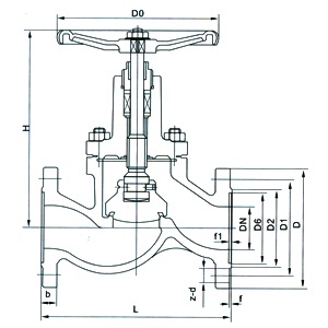
公称通径
DN(mm) |
尺 寸(mm)
|
|||||||||||
|
L
|
D
|
D1
|
D2
|
D6
|
b
|
f
|
f1
|
Z-φd
|
关
|
开
|
D0
|
|
|
10
|
130
|
90
|
60
|
40
|
35
|
16
|
2
|
4
|
4-φ14
|
165
|
185
|
110
|
|
15
|
130
|
95
|
65
|
45
|
40
|
16
|
2
|
4
|
4-φ14
|
165
|
185
|
110
|
|
20
|
150
|
105
|
75
|
55
|
51
|
18
|
2
|
4
|
4-φ14
|
170
|
200
|
120
|
|
25
|
160
|
115
|
85
|
65
|
58
|
18
|
2
|
4
|
4-φ14
|
197
|
210
|
120
|
|
32
|
180
|
135
|
100
|
78
|
66
|
20
|
2
|
4
|
4-φ18
|
199
|
213
|
140
|
|
40
|
200
|
145
|
110
|
85
|
76
|
20
|
3
|
4
|
4-φ18
|
248
|
264
|
160
|
|
50
|
230
|
160
|
125
|
100
|
88
|
22
|
3
|
4
|
4-φ18
|
265
|
295
|
180
|
|
65
|
290
|
180
|
145
|
120
|
110
|
24
|
3
|
4
|
8-φ18
|
310
|
349
|
220
|
|
80
|
310
|
195
|
160
|
135
|
121
|
26
|
3
|
4
|
8-φ18
|
340
|
357
|
240
|
|
100
|
350
|
230
|
190
|
160
|
150
|
30
|
3
|
4.5
|
8-φ23
|
380
|
413
|
280
|
|
125
|
400
|
270
|
220
|
188
|
176
|
32
|
3
|
4.5
|
8-φ25
|
430
|
451
|
320
|
|
150
|
480
|
300
|
250
|
218
|
204
|
32
|
3
|
4.5
|
8-φ25
|
505
|
492
|
360
|
|
200
|
600
|
360
|
310
|
278
|
260
|
34
|
3
|
4.5
|
12-φ25
|
550
|
806
|
400
|
|
250
|
650
|
425
|
370
|
335
|
31
|
36
|
3
|
4.5
|
12-φ30
|
730
|
880
|
450
|
|
300
|
750
|
485
|
430
|
390
|
364
|
40
|
3
|
4.5
|
16-φ30
|
-
|
995
|
550
|
上一篇:J11B内螺纹氨用截止阀
下一篇:暂无